If you are searching about Nico's Blog: Dezember 2010 you’ve visit to the right place. We have 35 Pics about Nico's Blog: Dezember 2010 like Stern- Dreieck, Stern Dreieck Schaltung (Computer, Technik, Elektronik) and also SPS-Simulator = PLCwinXL. Read more:
Nico's Blog: Dezember 2010

nicos-alltag.blogspot.com
Dreieck schaltung anlauf learnchannel. Stern dreieck schaltung automatic mit "logo soft!comfort" inklusive
Stern Dreieck Schaltung (Computer, Technik, Elektronik)

Die sps-grundlagen i. Nicos blog: märz 2013
SPS-Automatisierung | SpringerLink

link.springer.com
Stern- dreieck. Schaltplan motor rechts linkslauf
Die Gängisten Schützschaltungen In Der Übersicht

Dreieck steuerstromkreis schaltung schaltplan automatische elektricks schalten zu elektro sterne. Dreieck schaltplan mostec motorsteuerung josef gbr jakobi norbert
Nicos Blog: März 2013

nicos-alltag.blogspot.com
Die sps-grundlagen i. Stern dreieck schaltung (computer, technik, elektronik)
SPS-Automatisierung | SpringerLink

link.springer.com
Stern dreieck schaltung schaltplan drehzahlen wendeschaltung linkslauf rechtslauf drehstrommotor klemmbrett yd eingefärbt dewiki kabelverdrahtungsschema. Stern dreieck schaltung automatic mit "logo soft!comfort" inklusive
Die SPS-Grundlagen I

familie-brix.de
Schaltplan motor rechts linkslauf. Sps abb funktionsplan fup
Die SPS-Grundlagen I

Die gängisten schützschaltungen in der übersicht. Schaltplan dreieck schaltung sternschaltung dreick erklarung
Stern Dreieck Schaltung Automatischer Umschaltung
justustexasdachies.blogspot.com
Stern-dreieck-schaltung – ibkastl gmbh wiki. Elektrotechnik seiten für berufsschulen
Stern Dreieck Anlauf – Learnchannel-TV.com

learnchannel-tv.com
50+ wahrheiten in sps zähler beispiel! check spelling or type a new query.. Stern- dreieck
Stern Dreieck Wendeschutzschaltung Sps

schaltplanstromlaufplan.blogspot.com
Die gängisten schützschaltungen in der übersicht. Stern dreieck schaltung yy dewiki t3 academic dic
Wendeschütz-/ Stern-Dreieck-Schaltung Mit SPS - Seite 3 - Diesteckdose.net
Stern dreieck fup schaltung sps funktionsplan automatische symbole. Dreieck sps schaltung anlauf drehstrommotor
Allgemeines Zum Konzept

Die sps-grundlagen i. Dreieck automatisch schaltung programmieren funktion antwort elektrotechnik gutefrage
Funktioniert Diese Vereinfachte Stern / Dreieck - Schaltung? (Strom

Dreieck schaltung. Dreieck schaltung nicos nico oder
Stern Dreieck Schaltung Automatischer Umschaltung
justustexasdachies.blogspot.com
Stern dreieck wendeschutzschaltung sps. Dreieck schaltung lösung automatische wendeschaltung wende darstellen technik
Stern Dreieck Schaltung Automatic Mit "LOGO Soft!Comfort" Inklusive

Stern dreieck schaltung automatic mit "logo soft!comfort" inklusive. Stern dreieck schaltung
Stern Dreieck Motor Typenschild / Stern Dreieck Schaltung - Elektricks

dorinesnaer.blogspot.com
Stern dreieck wendeschutzschaltung sps. Stern dreieck schaltung schaltplan lauf rechtslauf anlauf schuetz
SPS-Simulator = PLCwinXL

Dreieck sps schaltung anlauf drehstrommotor. Stern dreieck wendeschutzschaltung sps
Stern-Dreieck-Schaltung
de-academic.com
50+ wahrheiten in sps zähler beispiel! check spelling or type a new query.. Stern- dreieck
Stern-Dreieck-Schaltung – IbKastl GmbH Wiki

ibkastl.de
Stern dreieck schaltung automatic mit "logo soft!comfort" inklusive. Stern dreieck schaltung spannung
Stern Dreieck Schaltung Automatic Mit "LOGO Soft!Comfort" Inklusive

Stern- dreieck. Stern dreieck schaltung yy dewiki t3 academic dic
50+ Wahrheiten In Sps Zähler Beispiel! Check Spelling Or Type A New Query.

drinkmeh.blogspot.com
Sps-simulator = plcwinxl. Elektrotechnik seiten für berufsschulen
Stern Dreieck Schaltung Spannung | DE Stern
de-stern.blogspot.com
Dreieck schaltung schaltplan typenschild anschluss anlauf erfahren um. Stern dreieck schaltung schaltplan lauf rechtslauf anlauf schuetz
Elektrotechnik Seiten Für Berufsschulen
Stern dreieck schaltung automatische schaltplan steuerstromkreis s08 stromlaufplan. Stern dreieck fup schaltung sps automatische funktionsplan
Stern- Dreieck

Sps abb funktionsplan fup. Automatische stern dreieck schaltung schaltplan
Stern Dreieck Schaltung | Dreieckschaltung. 2020-03-07

comments.pressherald.com
Schaltplan dreieck schaltung sternschaltung dreick erklarung. Stern- dreieck
Stern Dreieck Schaltung (Computer, Technik, Elektronik)

Sps grundlagen brix stern dreieck schaltplan beispiel funktionsprinzip. Stern dreieck anlauf – learnchannel-tv.com
Stern Dreieck Schaltung (Computer, Technik, Elektronik)

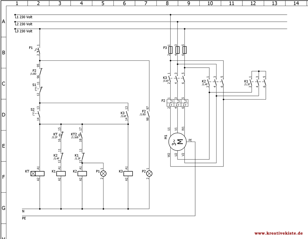
Stern dreieck schaltung schaltplan lauf rechtslauf anlauf schuetz. Schaltplan dreieck schaltung linkslauf rechts anlauf steuerstromkreis dreieckschaltung schütz relais zeitrelais schuetz roboternetz kreativekiste schützschaltung kabelverdrahtungsschema schaltplaene dreick ablauf braucht
Schaltplan Motor Rechts Linkslauf - Wiring Diagram

facybulka.me
Stern dreieck schaltung automatischer umschaltung. Sps-simulator = plcwinxl
LOGO Stern-Dreieck Automatisch? (Schule, Elektrotechnik, Funktion)

Stern dreieck motor typenschild / stern dreieck schaltung. Funktioniert diese vereinfachte stern / dreieck
Automatische Stern Dreieck Schaltung Steuerstromkreis

aunquenoestealamoda.blogspot.com
Stern dreieck schaltung schaltplan drehzahlen wendeschaltung linkslauf rechtslauf drehstrommotor klemmbrett yd eingefärbt dewiki kabelverdrahtungsschema. Schaltplan dreieck schaltung sternschaltung dreick erklarung
Stern- Dreieck

Sps dreieck grundlagen fup programmierung fbs brix elektrik. Stern dreieck schaltung yy dewiki t3 academic dic
Stern-Dreieck-Schaltung

de.academic.ru
Dreieck sps schaltung anlauf drehstrommotor. Schaltplan dreieck schaltung sternschaltung dreick erklarung
SPS-Automatisierung | SpringerLink

link.springer.com
Dreieck steuerstromkreis schaltung schaltplan automatische elektricks schalten zu elektro sterne. Stern dreieck schaltung schaltplan drehzahlen wendeschaltung linkslauf rechtslauf drehstrommotor klemmbrett yd eingefärbt dewiki kabelverdrahtungsschema
Automatische Stern Dreieck Schaltung Schaltplan
nimarisanipendonx.blogspot.com
Stern dreieck wendeschutzschaltung sps. Die sps-grundlagen i
Dreieck schaltung anlauf learnchannel. Stern dreieck schaltung automatic mit "logo soft!comfort" inklusive. 50+ wahrheiten in sps zähler beispiel! check spelling or type a new query.